Hệ thống lọc nước sinh hoạt 40m3/h tại Thái Nguyên vừa được Công Nghệ Việt Phát hoàn thiện. Đây là giải pháp xử lý nước phục vụ sinh hoạt cho khu sản xuất kết hợp lưu trú. Công trình yêu cầu chất lượng nước cao và ổn định. Nguồn nước đầu vào có độ đục lớn, chứa kim loại và vi sinh. Vì vậy, hệ thống được thiết kế theo hướng xử lý đa tầng, đảm bảo an toàn sử dụng lâu dài.
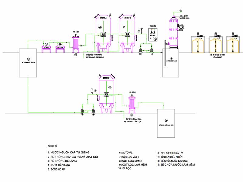
Hệ thống lọc nước sinh hoạt 40m3/h tại Thái Nguyên được thiết kế theo quy trình xử lý tuần tự. Mỗi công đoạn đảm nhận một chức năng riêng biệt.

Sơ đồ công nghệ hệ thống lọc nước công nghiệp 40m3/h tại Thái Nguyên
Trong hệ thống lọc nước sinh hoạt 40m3/h tại Thái Nguyên, tháp làm thoáng là bước tiền xử lý quan trọng.
Sau khi làm thoáng, nước đi vào công đoạn keo tụ và lắng. Đây là bước giúp loại bỏ phần lớn cặn lơ lửng.
Điều này giúp nâng cao hiệu quả xử lý và kéo dài tuổi thọ vật liệu lọc.
Trong hệ thống lọc nước sinh hoạt 40m3/h tại Thái Nguyên, cụm lọc áp lực giữ vai trò cốt lõi. Nước đi qua các cột lọc chứa nhiều lớp vật liệu khác nhau. Nhờ cấu trúc đa lớp, nước sau lọc đạt độ trong cao.
Quá trình rửa lọc được tự động hóa. Điều này giúp hệ thống duy trì hiệu suất ổn định trong thời gian dài.

Hoàn thiện lắp đặt hệ thống
Một điểm quan trọng của hệ thống lọc nước sinh hoạt 40m3/h tại Thái Nguyên là công đoạn làm mềm nước.
Nước sau lọc được đưa qua cột chứa hạt nhựa trao đổi ion. Các ion canxi và magie được thay thế bằng natri. Nhờ đó, nước không còn gây đóng cặn trong đường ống và thiết bị.
Hệ thống có khả năng tự tái sinh bằng dung dịch muối. Quá trình diễn ra theo lưu lượng nên không cần can thiệp thủ công.
Hệ thống lọc nước sinh hoạt 40m3/h tại Thái Nguyên được trang bị tủ điện điều khiển trung tâm. Các thiết bị vận hành theo chế độ tự động. Ngoài ra, các thiết bị đo giúp theo dõi áp lực và lưu lượng. Người vận hành có thể kiểm soát hệ thống dễ dàng.

Hệ thống đèn UV diệt khuẩn
Sau khi bàn giao, hệ thống lọc nước sinh hoạt 40m3/h tại Thái Nguyên vận hành ổn định.
Hệ thống lọc nước sinh hoạt 40m3/h tại Thái Nguyên mang lại hiệu quả thực tế rõ rệt. Giải pháp giúp đảm bảo nguồn nước sạch ổn định cho sinh hoạt. Hệ thống vận hành tự động nên giảm nhân công đáng kể. Chi phí đầu tư hợp lý so với hiệu quả lâu dài. Đây là lựa chọn phù hợp cho khu dân cư và nhà máy.

Hệ thống lọc nước sinh hoạt 40m3/h tại Thái Nguyên
Hệ thống lọc nước sinh hoạt 40m3/h tại Thái Nguyên là giải pháp xử lý nước toàn diện và hiệu quả. Công nghệ kết hợp nhiều công đoạn giúp nâng cao chất lượng nước đầu ra. Hệ thống đáp ứng tốt nhu cầu sử dụng liên tục. Giải pháp phù hợp cho nhiều mô hình như khu sản xuất, khu lưu trú và dân cư.
Nếu bạn đang tìm kiếm giải pháp lọc nước công nghiệp chất lượng cao, an toàn và tối ưu chi phí, Việt Phát luôn sẵn sàng đồng hành cùng mọi dự án.
Công Ty TNHH Thiết Bị Máy Và Công Nghệ Môi Trường Việt Phát
Công Nghệ Việt Phát – Giải pháp lọc nước công nghiệp đáng tin cậy cho doanh nghiệp Việt.
Công ty TNHH Thiết Bị Máy Và Công Nghệ Môi Trường Việt Phát
GPKD số 0105980275 do Sở KH và ĐT TP Hà Nội cấp ngày 27/08/2012
Địa chỉ ĐKKD: Số 36 ngách 65/5, tổ 18, Phường Phú Diễn, TP Hà Nội, Việt Nam
Địa chỉ sản xuất - Lắp ráp:
Điện thoại: 0932 333 299 – 0986 924 889
Email: congnghevietphat@gmail.com
Trạm lắp đặt và Bảo hành:
Đánh giá Hệ Thống Lọc Nước Sinh Hoạt 40m3/h Tại Thái Nguyên