Trong thời đại sản xuất công nghệ cao, nơi mọi chi tiết kỹ thuật đều đòi hỏi độ chính xác gần như tuyệt đối, lọc nước siêu tinh khiết trở thành yếu tố cốt lõi để đảm bảo chất lượng sản phẩm, độ ổn định quy trình và độ bền của thiết bị. Nước siêu tinh khiết có mức độ loại bỏ tạp chất gần như tuyệt đối, bao gồm ion, khoáng, kim loại, chất hữu cơ hòa tan, vi sinh vật và cả các hạt siêu nhỏ, giúp nước đạt tới độ dẫn điện cực thấp, độ tinh khiết cực cao và ổn định cho các ngành yêu cầu chuẩn chất lượng nghiêm ngặt. Bài viết sau sẽ phân tích chi tiết khái niệm, yêu cầu chất lượng, công nghệ tạo nước siêu tinh khiết cũng như ứng dụng trong công nghiệp hiện đại.
Nước siêu tinh khiết (Ultra Pure Water – UPW) là loại nước được xử lý thông qua nhiều công đoạn nhằm loại bỏ gần như hoàn toàn mọi tạp chất, đưa các chỉ số như:
Đây là loại nước đạt cấp độ tinh khiết cao nhất hiện nay, được sử dụng trong các ngành yêu cầu môi trường sản xuất sạch tuyệt đối.
Nước siêu tinh khiết đóng vai trò quan trọng vì:

Nước siêu tinh khiết
Nước UPW được ứng dụng chủ yếu trong:
Do yêu cầu về độ tinh khiết cực cao, các hệ thống xử lý thông thường không thể đáp ứng được mà đòi hỏi công nghệ chuyên sâu hơn.
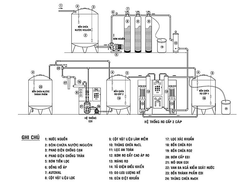
Quy trình tạo nước siêu tinh khiết thường trải qua nhiều tầng xử lý, kết hợp giữa công nghệ màng và công nghệ trao đổi ion, trong đó bao gồm các bước chính:
Công nghệ RO đóng vai trò là bộ lọc quan trọng giúp loại bỏ: 99% TDS, Ion hòa tan, kim loại nặng, vi sinh vật
Tuy RO cho nước tinh khiết, nhưng chưa đạt tiêu chuẩn Ultra Pure Water, nên cần thêm các công nghệ sau RO.
EDI chính là công nghệ tạo nước siêu tinh khiết được đánh giá cao nhất hiện nay.
Bước cuối cùng giúp loại bỏ mọi vi sinh vật còn sót lại trong hệ thống.

Sơ đồ công nghệ hệ thống lọc nước siêu tinh khiết
Công Nghệ Việt Phát là đơn vị chuyên thiết kế – thi công – chuyển giao hệ thống lọc nước siêu tinh khiết cho các nhà máy điện tử, dược phẩm, y tế và phòng thí nghiệm, với lợi thế:
Việt Phát cam kết mang đến hệ thống vận hành ổn định, tiết kiệm năng lượng và đạt chuẩn chất lượng cao nhất.

Việt Phát – Đơn vị lắp đặt hệ thống lọc nước siêu tinh khiết uy tín
Lọc nước siêu tinh khiết đóng vai trò cực kỳ quan trọng trong các ngành công nghiệp công nghệ cao, nơi yêu cầu độ chính xác gần như tuyệt đối và môi trường sản xuất hoàn toàn sạch. Nhờ kết hợp công nghệ RO, EDI, UV và màng lọc siêu tinh, hệ thống UPW mang lại nguồn nước đạt tiêu chuẩn quốc tế, giúp doanh nghiệp nâng cao chất lượng sản phẩm, giảm rủi ro và đáp ứng các tiêu chuẩn khắt khe. Nếu bạn đang tìm kiếm đơn vị thi công hệ thống lọc nước EDI - Mixbed uy tín, Việt Phát chính là đối tác tin cậy hàng đầu.
Công ty TNHH Thiết Bị Máy Và Công Nghệ Môi Trường Việt Phát
Công Nghệ Việt Phát – Giải pháp lọc nước công nghiệp đáng tin cậy cho doanh nghiệp Việt.
Công ty TNHH Thiết Bị Máy Và Công Nghệ Môi Trường Việt Phát
GPKD số 0105980275 do Sở KH và ĐT TP Hà Nội cấp ngày 27/08/2012
Địa chỉ ĐKKD: Số 36 ngách 65/5, tổ 18, Phường Phú Diễn, TP Hà Nội, Việt Nam
Địa chỉ sản xuất - Lắp ráp:
Điện thoại: 0932 333 299 – 0986 924 889
Email: congnghevietphat@gmail.com
Trạm lắp đặt và Bảo hành:
Đánh giá Lọc Nước Siêu Tinh Khiết – Giải Pháp Tạo Nguồn Nước Đạt Chuẩn Cho Công Nghiệp Công Nghệ Cao